
3. Cableado de las centralizaciones de contadores y de los módulos de medida indirecta
La sección mínima del cableado pasa de 6 mm2 (REBT 2002) a 16 mm2 con el objeto de evitar modificaciones cuando se producen ampliaciones de potencia. Importante novedad.
Al respecto del tipo de cable no hay variación si bien las normas de diseño reflejadas han sido modificadas para adaptarlas al Reglamento de Productos de Construcción y reflejar expresamente la clase mínima Cca-s1b,d1,a1 que también se lee en el tercer párrafo del punto 3. Tales normas son:
- UNE 21027-9 para cables termoestables (temperatura máxima en régimen permanente de 90 ºC en conductor)
- UNE 211002 para cables termoplásticos (temperatura máxima en régimen permanente de 70 ºC en conductor)
Además, se puntualiza que los conductores sean rígidos de clase 2. Es decir conductores rígidos de varios hilos (la clase 1 se destina a conductores rígidos de un solo hilo, que típicamente presentan los conductores rígidos de hasta 4 mm2 incluidos).

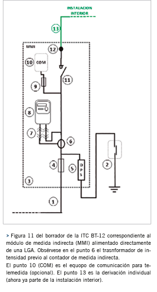
Esquema de módulo de media indirecta alimentado directamente de una LGA
Se especifica también la sección mínima del hilo de mando, el conductor de alimentación al equipo de comunicaciones y para los circuitos de medida indirecta:
El resto de cableado tendrá las mismas características que las indicadas anteriormente. El cable de mando que parta de la CC o del MMI tendrá una sección de 1,5 mm2 y color rojo.
La alimentación al equipo de comunicaciones para telemedida será de sección 2,5 mm2 y para los circuitos de medida indirecta conectados al secundario de los transformadores de intensidad la sección mínima será de 6 mm2.



La ITC BT-15 que modifica a la ITC BT-16 del REBT 2002 cambia de numeración y de contenido siendo mucho más amplia, precisa y adaptada al estado actual de los contadores y equipos de medida y sus diferentes ubicaciones