El mercado de bombas de calor está en pleno crecimiento, especialmente los modelos aire-agua. Esto se debe a varios factores: eficiencia energética, reducción de ruido y tecnologías de conectividad.
Si las instalaciones de bombas de calor son completadas con estas soluciones Giacomini, vamos a obtener un sistema de calefacción y refrigeración que se capaz de sacar mayor rendimiento a sus ventajas inherentes.
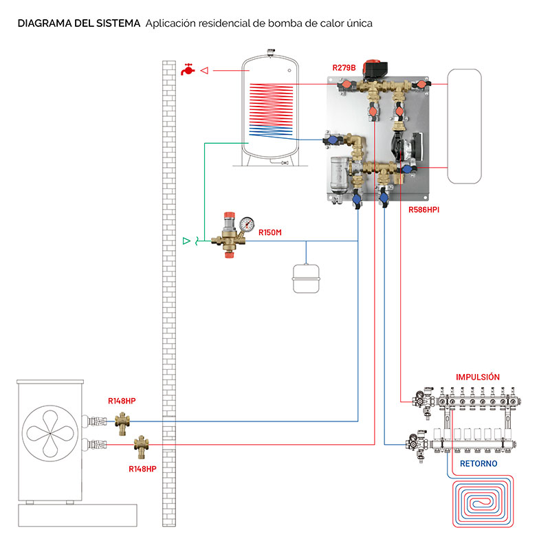
R586HPI: unidad hidrónica para bomba de calor
Optimiza las funciones de calefacción, refrigeración y producción de ACS gracias a la gestión del depósito de inercia, que desacopla el sistema de calefacción y refrigeración del estado de funcionamiento de la bomba de calor. Una solución premontada, compacta y discreta que simplifica la instalación reduciendo el trabajo de albañilería, el tiempo de instalación y la posibilidad de errores.
R148HP: válvula de protección anti-hielo para bombas de calor monoblock
La válvula de protección contra congelación evita daños al sistema en caso de formación de hielo. Con su instalación evitaremos el uso de glicol y es apta para refrigeración con sistema radiante y con fancoils.
R146C: desfangador magnético orientable
Este desfangador magnético orientable simplifica el mantenimiento y ayuda a mantener la eficiencia. Fabricado en latón, el desfangador R146C dispone de triple filtro y su conexión orientable permite una amplia gama de posibilidades de instalación.

R279B: válvula desviadora de 3 vías con actuador rápido on/off
Esta válvula de zona de tres vías garantiza la optimización energética de la bomba de calor y permite cambiar entre dos modos de funcionamiento: producción de ACS, y calefacción y refrigeración. Está equipado con un actuador de apertura rápida que actúa en tan solo 8 segundos.
R150M: grupo de llenado automático compacto
Regula la presión del sistema de forma estable a un valor preestablecido, rellenando automáticamente el agua que falta. El cartucho y el filtro extraíbles simplifican la limpieza y el mantenimiento.
Soluciones para la descarbonización de la climatización
Las bombas de calor ayudan a la descarbonización en el sector de la climatización. Si son alimentadas por electricidad proveniente de fuentes renovables y neutras en carbono, las bombas de calor se perfilan como una solución ideal para ayudar a combatir el cambio climático.
La sustitución de las calderas de gas por bombas de calor tendrá un impacto crucial en la reducción del consumo de gas natural en los edificios; de hecho, ya está en marcha un programa europeo para su promoción (REPowerEU).
Con esta gama de soluciones presentada, Giacomini aporta su conocimiento en eficiencia energética para contribuir a este cambio de modelo energético.



Giacomini, propone cinco productos para optimizar el rendimiento y proteger las instalaciones que usen bombas de calor para la climatización de hogares o lugares de trabajo.