
En este artículo, exploraremos qué es un depósito de inercia, cómo funciona, sus aplicaciones y además conocerás como el nuevo HydroConnect de Efitherma. Un nuevo y exclusivo depósito que lleva este concepto un paso más allá, gracias a su depósito de inercia combinado, que puede ofrecer ACS y climatización.

¿Qué es un depósito de inercia?
Un depósito de inercia es un tanque diseñado para almacenar energía térmica en forma de agua caliente o fría. Su principal objetivo es optimizar el funcionamiento de los sistemas de climatización, como calderas o bombas de calor.
- Estabiliza la temperatura del sistema.
- Evita encendidos y apagados frecuentes, que reducen la eficiencia y desgastan los equipos.
- Garantizan un suministro constante de energía térmica durante picos de demanda.
¿Cómo funciona un depósito de inercia?
El depósito de inercia actúa como un almacén de energía térmica que regula la temperatura del sistema según la demanda:
- Carga: Cuando la demanda es baja, el sistema (caldera o bomba de calor) transfiere el exceso de energía al depósito.
- Descarga: Durante periodos de alta demanda, el depósito libera la energía acumulada para cubrir la necesidad térmica.
¿Es compatible con sistemas de energía renovable?
Sí, los depósitos de inercia son altamente compatibles con sistemas de energía renovable, como:
- Sistemas solares térmicos: Acumulan el calor generado por paneles solares.
- Bombas de calor aerotérmicas o geotérmicas: Ayudan a maximizar su eficiencia al almacenar el calor generado.
- Calderas de biomasa: Estabilizan la energía producida, que suele variar según la carga de combustible.
¿Qué capacidad puede tener un depósito de inercia?
La capacidad de un depósito de inercia puede variar ampliamente, desde 50 litros hasta más de 1000 litros, dependiendo de las necesidades del sistema.

La elección del tamaño adecuado depende de factores como la potencia de la caldera o bomba de calor, la demanda de calefacción o refrigeración y la cantidad de usuarios.
En el caso de un depósito de inercia combinado, el modelo HydroConnect de Efitherma cuenta con una capacidad de 180 litros para ACS y 75 litros para inercia, lo cual es adecuado para satisfacer las necesidades de un hogar de tamaño promedio. Para decidir la capacidad ideal en tu caso, es recomendable consultar con un profesional.
¿Un depósito de inercia requiere mantenimiento?
Los depósitos de inercia requieren un mantenimiento mínimo, pero es esencial para garantizar su correcto funcionamiento y prolongar su vida útil. Las principales tareas incluyen:
- Revisión periódica de las conexiones y válvulas.
- Comprobación del aislamiento térmico para evitar pérdidas de energía.
- Limpieza interna para prevenir acumulaciones de sedimentos o incrustaciones.
¿Cuál es la vida útil de un depósito de inercia?
La vida útil de un depósito de inercia suele ser de 15 a 20 años, dependiendo de:
- La calidad del material: Los depósitos de acero inoxidable suelen ser más duraderos.
- El mantenimiento adecuado: Un mantenimiento regular puede prolongar su vida útil.
- Condiciones de operación: Evitar sobrepresiones y temperaturas extremas contribuye a su longevidad.
¿Cuánto cuesta un depósito de inercia?
Aunque la inversión inicial puede ser algo mayor en comparación con sistemas tradicionales, los ahorros que genera a largo plazo en términos de espacio, eficiencia energética y costos de instalación y mantenimiento lo convierten en una inversión rentable.

¿Dónde se puede instalar un depósito de inercia?
Los depósitos de inercia son muy versátiles y pueden instalarse en diversos lugares, dependiendo del espacio disponible y las características del sistema:
- Cuartos de calderas.
- Garajes o sótanos.
- Espacios exteriores cubiertos, siempre que estén protegidos de las inclemencias del tiempo.
- Instalaciones industriales o comerciales con mayor demanda térmica.
¿En qué se diferencia un depósito de inercia y un depósito de inercia combinado?
Un depósito de inercia combinado es una solución avanzada que almacena agua tanto para climatización, como para agua caliente sanitaria, lo que lo diferencia de un depósito de inercia convencional.

Ventajas de los depósitos de inercia combinados
- Ahorro de espacio: Al contar con un único dispositivo para el almacenamiento de agua de climatización y ACS, se reduce la necesidad de instalar múltiples depósitos o sistemas, optimizando el espacio disponible.
- Eficiencia energética: Al integrar funciones de climatización y ACS, se minimizan las pérdidas energéticas, ya que el sistema aprovecha mejor la energía producida. Esto es especialmente eficaz cuando se combina con sistemas de aerotermia, que utilizan la energía del aire para calentar el agua.
- Fácil instalación y mantenimiento: Estos depósitos suelen diseñarse para una instalación más sencilla, ya que requieren menos conexiones que un sistema tradicional con depósitos separados. Además, la mayoría de los modelos vienen con elementos integrados que simplifican el proceso, como es el caso de «HydroConnect».
- Versatilidad y adaptabilidad: Los depósitos de inercia combinados son ideales para todo tipo de instalaciones, desde viviendas unifamiliares hasta edificios de mayor tamaño, adaptándose a diferentes necesidades energéticas y de espacio.

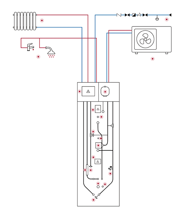
HydroConnect: Depósito de inercia combinado (ACS + Climatización)
En Efitherma, cuentan con el modelo HydroConnect, un depósito de inercia combinado altamente eficiente para Agua Caliente Sanitaria y climatización. Este depósito cuenta con una serie de características que lo hacen destacar en el mercado:
Capacidad de almacenamiento: ofrece una capacidad de acumulación de 180 litros para ACS y 75 litros para inercia, lo que permite un suministro adecuado tanto para Agua Caliente Sanitaria como para climatización.
Fácil instalación: Incorpora diferentes salidas ubicadas en la parte superior para conectarlo al sistema de ACS, al de climatización y a la bomba de calor o enfriadora (aerotermia, geotermia, etc), haciendo su instalación fácil y rápida.
Adaptabilidad: Este depósito está diseñado específicamente para combinarse con una bomba de calor (aerotermia, geotermia, etc).
Componentes:
- General:
Cuadro eléctrico con 3 salidas para resistencia ACS (conectada) / Resistencia de inercia y bomba secundaria (no conectados) / Protección mediante fusibles / Válvula de 3 vías.
- Depósito de climatización:
Válvula de seguridad / Vaina sumergida para sonda / Entrada para resistencia auxiliar / Manómetro
- Depósito de Agua Caliente Sanitaria:
Ánodo electrónico de titanio contra la corrosión por corriente impresa / Vaso de expansión de ACS / Válvula de seguridad / Vaina sumergida para sonda / Resistencia de 2500W / Termostato de seguridad.




En el mundo de la climatización y la producción de agua caliente sanitaria (ACS), la eficiencia y el rendimiento son dos factores clave. Los depósitos de inercia han surgido como una solución eficaz para mejorar la estabilidad y el rendimiento de los sistemas de calefacción y refrigeración, especialmente de la aerotermia