
Se encuentran las instalaciones electromecánicas diseñadas para lograr el mayor confort de los pacientes y trabajadores, a través de sistemas de alta calidad y eficiencia energética.
A continuación, se describen las instalaciones más relevantes desde el punto de vista de los sistemas empleados y la eficiencia energética.
CENTRALES DE PRODUCCIÓN DE AGUA FRÍA Y CALIENTE PARA CLIMATIZACIÓN
Central de producción de agua para calefacción y ACS
ara la producción de agua caliente destinada a calefacción y ACS se ha instalado un equipo autónomo Roof-Top en la cubierta del edificio que albergará dos circuitos independientes, uno con dos calderas de condensación para calefacción y otro con una caldera condensante para ACS.
El esquema del equipo compacto es el siguiente:
Circuito primario calefacción
Las calderas están conexionadas en paralelo dentro del equipo, siendo la impulsión y retorno primarios a un colector común y, desde el Roof Top se alimenta a los colectores de impulsión/retorno de los secundarios de calefacción.
El circuito primario trabaja a caudal constante, con grupos de bombeo de bombas simples por caldera.
Circuito secundario calefacción
El circuito secundario de calefacción constará de dos circuitos independientes, que trabajarán a caudal variable, estableciéndose todas las bombas de rotor seco, incorporándose en cada una individualmente variador de velocidad.
- Circuito de Climatizadores. Grupo de bombeo 1+1 (una de reserva).
- Circuito de Fancoils. Grupo de bombeo 1+1 (una de reserva).
Circuito ACS
La caldera específica en el Roof Top para la producción de ACS dispondrá de grupo de bombeo 1+1 (una de reserva) por bombas simples internas en el Roof Top, dichas bombas aparte de estar conectadas con el circuito de la caldera de ACS se conectará con un Bypass de emergencia con el circuito de calefacción.
Se instalará un grupo de bombeo en el retorno de la instalación de ACS, garantizando el confort y la prevención de puntos fríos en la instalación de distribución, para evitar la legionelosis.

Central de producción de agua fría para climatización
Enfriadoras
Para la producción de agua fría destinada a climatización se instalan dos enfriadoras:
- Climatización: una enfriadora de condensación por aire y refrigerante R1234ze.
- Refrigeración del compresor de helio del equipo de la Resonancia Magnética: una enfriadora independiente de condensación por aire y refrigerante R-32.
Climatización
Circuito Primario
El circuito primario trabajará a caudal variable, con un grupo de bombeo formado por un sistema de 2+1 (una de reserva) de bombas simples de rotor seco, incorporándose en cada una individualmente variador de velocidad.
Circuito Secundario
El circuito secundario de climatización constará dos circuitos independientes, que trabajarán a caudal variable, estableciéndose todas las bombas de rotor seco, incorporándose en cada una individualmente variador de velocidad.
- Circuito de Climatizadores. Grupo de bombeo 1+1 (una de reserva).
- Circuito de Fancoils. Grupo de bombeo 1+1 (una de reserva).
CLIMATIZACIÓN Y VENTILACIÓN
Para el cálculo de la instalación de climatización, las condiciones exteriores empleadas son las fijadas en la “UNE 100001:2001 Climatización. Condiciones climáticas para proyectos”, corregidas para todos los meses del año y horas del día, según las tablas de la UNE 100014.
Para el cálculo de cargas, se escogerán los percentiles del 99% y 1%, por criterios de seguridad en el diseño dado el uso del Edificio.
Las condiciones interiores empleadas para el cálculo son las fijadas en la UNE 100713:2005, en aquellas zonas de uso hospitalario / Ambulatorio. En las zonas de uso no hospitalario se emplearán los criterios contemplados en la IT1.1.4.1.2. del RITE.
En cuanto a los caudales de aire de ventilación, en las zonas de uso hospitalario, se aplicará la UNE 100713:2005 Instalaciones de Acondicionamiento de Aire en Hospitales y se aplicará el RITE en todas aquellas zonas, en las que sea asimilable el uso del local a un tipo de IDA establecido en la instrucción técnica IT 1.1.4.2.2. Categorías de calidad del aire interior.
Sistemas de climatización y ventilación empleados
- UTAs
Se describen en el presente apartado las tipologías de sistemas de climatización utilizados en cada caso para la climatización del Centro Ambulatorio, que pueden resumirse en:
TIPO 1. Sistemas de climatización con dos niveles de filtración, recuperador entálpico, control de temperatura y humedad y funcionamiento a caudal constante.
Rehabilitación

El climatizador dispone de Recuperador Rotativo Entálpico para optimizar la eficiencia energética del sistema, de manera que se pueda recuperar calor sensible y latente cuando las condiciones exteriores lo permitan y así consumir únicamente la energía de los ventiladores.
TIPO 2. Sistemas de ventilación todo aire exterior, con dos niveles de filtración, recuperador por baterías, control de temperatura y humedad y funcionamiento a caudal variable
CONSULTAS, ESPERAS, DIAGNOSTICO POR LA IMAGEN, ADMINISTRACIÓN CONTROLES PASILLOS.

El climatizador dispone de Recuperador de Baterías de manera que no exista ningún tipo de mezcla entre el aire de impulsión y el de extracción, optimizando la calidad del aire impulsado por el ventilador.
Las zonas de consultas se climatizarán con fancoils de conductos mientras que las esperas, RM, etc que necesitan caudales de aire de ventilación mayores, se climatizarán mediante cajas de caudal variable para tener un mayor control del sistema en caso de baja ocupación y así poder reducir el consumo de energía del equipo y adaptarlo al número de usuarios existente en cada momento mediante la lectura de una sonda de CO2, que permitirá la entrada de más o menos caudal en función de la calidad del aire medida, siempre manteniendo un mínimo caudal de ventilación.
La zona de Resonancia Magnética, además, dispondrá de un extractor, como seguridad en caso de la descarga de Helio del Imán, dicho extractor será accionado por una seta de emergencia desde el control o por una señal externa del equipo.
Características constructivas
Las UTAS contarán con el correspondiente certificado Eurovent, con las siguientes calidades constructivas.
Clasificación de la envolvente según UNE-EN 1886.
- Resistencia mecánica de la envolvente: D1(M)
- Estanqueidad de la envolvente: L1(M)
- Fuga derivación del filtro: F9(M)
- Transmisión térmica: T2
- Factor de puente térmico: TB2
Filtros de aire
Será el requerido según lo dispuesto en el RITE en su IT 1.1.4.2.4. Filtración del aire exterior mínimo de ventilación. La sección de impulsión contará con un primer nivel de filtrado mediante filtro F7 (PM1 Eff 60%) y un segundo nivel con filtro F9 (PM1 Eff 80%). Previamente a los dos niveles de filtrado, dispone de un prefiltro de protección G4 (CoarseEff65).
Ventiladores
Serán tipo plug fan directamente acoplados dotados de variador de frecuencia e integrados en el SGC.
Baterías de refrigeración
En sistemas Clase I el número de filas de la batería no será superior a cuatro, si se requieren más de cuatro filas se dispondrá de dos baterías en serie con flujos en contracorriente.
La velocidad frontal de paso de aire por la batería no será superior a 2,5 m/s para evitar el arrastre de gotas de agua, no requiriéndose el uso de separadores de gotas.
Baterías de calentamiento
Se disponen como primera etapa en todos los climatizadores 100% aire exterior para protección de congelación de baterías.
Recuperadores de energía
Las prestaciones cumplen con lo indicado en el RITE, IT 1.2.4.5.2. Recuperación de calor del aire de extracción y la Directiva Erp Ecodiseño actualizada al año 2019. Los recuperadores dispondrán de filtro G4 y F7 para asegurar su rendimiento.
Humectación de aire
Son de tipo autónomo eléctrico ubicado en el climatizador para la inyección de vapor en la corriente de aire mediante lanza. Controlarán la humedad ambiente de la zona y estará limitado por impulsión para evitar condensaciones en los conductos.
Silenciadores
Se equipan con silenciadores todos los equipos tanto climatizadores como extractores. Se limitará el ruido radiado al conducto de impulsión como máximo en 70 dB de potencia sonora.
- Unidades Terminales
Fancoils
Se han seleccionado en función de la potencia térmica necesaria para las condiciones interiores del local, y a la velocidad que cumpla con el nivel sonoro interior requerido por la UNE 100713 y el Real Decreto 1367/2007.
Son equipos a cuatro tubos, de conductos, con ventilador EC.
Se han instalado con soportes anti vibratorios, desagüe con sifón, dos válvulas de corte y filtro por circuito. Los fancoil de conductos disponen de plénum de retorno fabricado en conducto de fibra, con registro para filtro.
La regulación de las baterías será mediante válvulas de control de dos vías independientes de la presión diferencial. La regulación del ventilador y la válvula serán ambas de tipo proporcional.
Cajas de caudal variable
Están formadas por una envolvente fabricada con chapa de acero galvanizada, aislado interiormente, con aislamiento termoacústico de fibra de vidrio de espesor 50 mm. Incorporan compuerta de regulación de caudal, captador cruciforme de presión diferencial, batería de recalentamiento y regulador-actuador.
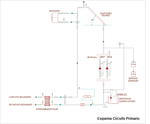
INSTALACIÓN PANELES SOLARES TÉRMICOS
Para la producción de agua caliente para usos sanitarios, se dispone de una instalación paneles solares térmicos encargados de realizar las funciones de captar la radiación solar, transformarla directamente en energía térmica cediéndola a un fluido de trabajo y, por último, almacenar dicha energía térmica de forma eficiente.
Esta instalación se apoyará con la caldera de producción de ACS incluida en el equipo roof-top descrito anteriormente.
Siguiendo las indicaciones del “Documento Básico HE de Ahorro de Energía, del Código Técnico de la Edificación” (HE-4), apartado 4.1. Cálculo de la demanda, se estima una demanda diaria de 1230 litros de ACS.
Dado que el centro ambulatorio se encuentra en la zona climática IV y la demanda total de ACS diaria es menor de 5.000 litros, la contribución solar mínima anual exigida para cubrir las necesidades de ACS es del 50%, según lo indicado en el CTE HE4 vigente en el momento de la realización de este proyecto.
Como resultado del cálculo se requieren 10 paneles con una superficie de captación aproximada de 25,80 m2.
Los captadores instalados tienen las siguientes características:
- Área de apertura 2,33 m2
- Rendimiento óptico: 78,3%
- Factor de perdidas K1=3,8 y K2=0,02
El circuito primario será un circuito cerrado con los siguientes elementos:
- Grupo de bombas simples (1+1) una de reserva
- Depósito de Llenado-vaciado automático con bomba
- Aerodisipador de calor en la instalación para cuando no exista una demanda de ACS que cubra la producción de los paneles solares térmicos, comandado con válvula de tres vías
- Intercambiador Solar
- Contador de Energía térmica
- Sistema de Expansión

La tubería de distribución de agua glicolada del circuito primario es de cobre, aislada con coquilla elastomérica con base de caucho sintético EPDM, especialmente indicada para instalaciones que trabajan a temperaturas elevadas, protegida con chapa de aluminio por el exterior.
Circuito secundario
El circuito secundario engloba la acumulación solar para almacenar la energía térmica y los sistemas de transmisión de la energía al sistema de ACS de consumo.
El circuito secundario será cerrado con un grupo de bombeo que impulsa el agua contra el intercambiador del primario solar para calentar el agua del acumulador previsto y, por otro lado, precalentar el agua fría sanitaria de consumo mediante un segundo intercambiador. De esta forma se puede tener separado el sistema de acumulación de ACS de consumo de calidad sanitaria del sistema de acumulación solar cumpliendo así de manera estricta el Real Decreto 865/2003 de prevención para la legionela.

Consta de los siguientes elementos principales:
- Acumulador solar de 1.500 litros
- Grupo de bombas simples (1+1) una de reserva
- Válvula de tres vías para control de intercambiador de ACS
- Intercambiador Acumulación Solar- ACS
- Sistema de Expansión
La tubería del circuito secundario será de acero negro, y estará aislada por espuma elastomérica de poro cerrado dado que el agua de este circuito no tiene contacto con el agua caliente sanitaria de consumo.
CONCLUSIÓN
Las instalaciones definidas en el proyecto del Centro Médico Quirónsalud Valle de Henares se han diseñado con el objetivo de proporcionar el mayor confort posible a todos los usuarios y trabajadores del Centro, maximizando el ahorro energético y la robustez del funcionamiento.
Todas las instalaciones se integran en el Sistema de Gestión Centralizado (SGC) del edificio, imprescindible para poder optimizar el funcionamiento de los sistemas, obteniendo la información necesaria para monitorizar y controlar las principales variables que afectan al normal desarrollo de los sistemas de climatización, producción de agua caliente sanitaria, protección contra incendios, etc.
Del mismo modo, el SGC permite detectar las posibles alarmas de fallo de los principales equipos, realizar un mantenimiento preventivo en función de las mediciones de ciertos parámetros (como por ejemplo, las sondas de presión diferencial de los filtros de los climatizadores para conocer en todo momento su estado de limpieza y prever el momento de su limpieza o sustitución), monitorizar los sistemas de detección de incendios, etc.




El proyecto del Centro Médico Quirónsalud Valle de Henares que ha llevado a cabo ENERO arquitectura, dotado de 29 consultas, área de diagnóstico por la imagen compuesta por una resonancia Magnética, un mamógrafo, etc.,