
Inexorablemente, en todo sistema de suministro de energía térmica, tenemos que considerar la acumulación de agua.
La puesta en valor de los puntos anteriores nos ha motivado en Fegeca elaborar una Guía de Sistemas de Acumulación de Agua como compendio de todo lo relacionado con este tipo de instalaciones de acumulación, desde la normativa que se aplica, los equipos de acumulación existentes, sus materiales constructivos, el dimensionado y selección de acumuladores, criterios para la instalación y su mantenimiento, abarcando todas las fases desde su diseño de fábrica a la puesta en funcionamiento en la instalación.
Nuestra Guía de Sistemas de Acumulación de Agua no se queda ahí, además incluye capítulos completos dedicados exclusivamente a los tratamientos de agua y a la importancia de la calidad del agua de suministro, corrosión, legionela, esquemas tipo de instalación comentados y recomendables para cada tipo de necesidad o tipología de suministro individual o centralizado.
Y por último, lo que para nosotros es lo más importante y motivador, un capítulo completo dedicado a las posibilidades de la hibridación de sistemas y la importancia del sistema de control para gestionar el aporte de los distintos generadores o fuentes energéticas en combinación con un sistema de acumulación correctamente dimensionado y adaptado.
En definitiva, una guía indispensable para todo profesional que se precie en el mundo de las instalaciones térmicas, desde la perspectiva del fabricante de los equipos de acumulación de agua.

Soluciones de sistemas de acumulación en obra nueva
Quizá sea el ámbito de la obra nueva el que más fácilmente admita la aplicación de nuevas tecnologías para la mejora de la eficiencia energética, ya que puede planificarse, sin demasiadas restricciones en la fase de reparto de superficies, el espacio destinado para integrar los equipos y sistemas de generación térmica del edificio.
Además, la normativa dicta una serie de requisitos y mínimos a cumplir en materia de inclusión de energías renovables y emisiones en la generación de los servicios de producción de calefacción, refrigeración y agua caliente sanitaria, sin olvidar el confort térmico de las personas que utilizarán los edificios.
Es en el actual Código Técnico de la Edificación donde se indican los porcentajes de energía según su procedencia para satisfacer las distintas demandas de confort. En los documentos básicos de ahorro de energía, concretamente en el HE 0 sobre la limitación del consumo energético del edificio, se fija un porcentaje del 50% en el caso de viviendas en el consumo de energía primaria de origen renovable para la suma de los servicios de refrigeración, control de humedad, ventilación, calefacción y producción de agua caliente sanitaria. En edificios del sector terciario (en el que también hay que considerar en el balance el consumo para iluminación), la contribución renovable oscila entre el 39% y el 67% en función de la zona climática y el tipo de edificio considerado.
Por otro lado, en el mismo Código Técnico de la Edificación y su documento básico de ahorro de energía en su HE 1 sobre limitación de la demanda energética, se fijan unos límites a la demanda térmica del servicio de calefacción muy por debajo del anterior documento, además de incluir el servicio de refrigeración en el balance de demanda energética, aunque también con limitaciones. Lo que sí que se mantiene respecto al anterior Código Técnico son las necesidades de demanda térmica para el servicio de agua caliente sanitaria.

Así pues, llegamos a la primera conclusión para la construcción de nuevos edificios: edificios con menos demanda energética para climatización, pero las mismas demandas energéticas en servicio de agua caliente sanitaria.
Para un ejemplo práctico de una vivienda unifamiliar de 90 m2 ubicada en Madrid construida con el actual Código Técnico de la Edificación, la demanda energética para los servicios de calefacción, refrigeración y agua caliente sanitaria es del orden de unos 61,2 kWh/m2 año de los que el 40,5% es utilizado para calentar el agua en servicio de ACS (24,8 kWh/m2 año).
Considerando la misma vivienda construida según el anterior CTE, la demanda energética para estos tres servicios sería de 127,7 kWh/m2 año, siendo el 19,4% para el servicio de ACS (los mismos 24,8 kWh/m2 año). La importancia de la demanda de agua caliente sanitaria en las viviendas se ha duplicado, por tanto, debemos prestar especial cuidado a un diseño eficiente de los sistemas de producción de ACS en los edificios nuevos actuales.
No sólo hay que calcular correctamente y confiar en dispositivos eficientes para la producción de ACS en los edificios, además, el mismo Código Técnico (en su documento básico de ahorro de energía en la HE4), nos fija un porcentaje de cobertura mínimo con fuentes energéticas renovables para la satisfacción del servicio de agua caliente sanitaria.
En la versión vigente no es un porcentaje variable según las zonas de radiación solar, sino que se indica un valor único del 70% de energía procedente de fuentes renovables (solar, aerotermia, geotermia…) para edificios con demandas superiores a 5000 l/día (o del 60% para demandas de agua caliente inferiores).
Es de vital importancia conocer qué elementos para acumular energía térmica requiere la vivienda si queremos orientar su generación a fuentes de tipo renovable, cobrando gran importancia los sistemas de acumulación de agua.

Una vez que nos decantamos por apostar por la acumulación de energía térmica en los edificios se nos abre la posibilidad de contar con estos sistemas de acumulación como elemento integrador de distintos generadores de calor que basan su aporte energético en distintas tecnologías renovables: aerotermia, geotermia, solar térmica o gases combustibles renovables como biometano, biopropano o hidrógeno verde. Esto puede hacerse de forma individual o combinando varios generadores de forma hibrida.
Como conclusión podemos citar en los casos de obra nueva:
• La incorporación por normativa (CTE) de Renovables implican la necesidad de contar con depósitos de acumulación de energía térmica (agua) en la instalación y sumar energías de distinta procedencia para casos de hibridación.
• En obra nueva, la mayor demanda de energía es para el servicio de ACS.
• El hecho de ser obra nueva facilita la integración de los sistemas de acumulación en los edificios.
• En el mercado existe una amplia gama de depósitos para Sistemas de Acumulación.
De todas las soluciones de acumulación de energía térmica en obra nueva o, dicho de otra forma, de las distintas soluciones de acumulación, podemos citar la apuesta por:
• Hibridación: con distintas tipologías,
- Solar térmica con caldera de gas, en zonas de gran radiación solar y zona fría en invierno.
- Bomba de calor y caldera, zonas de poca radiación y zona fría.
- Bomba de calor con solar térmica o fotovoltaica, en zona templada de radiación solar importante.
• Monoenergía:
- Bomba de calor aire agua individuales con apoyo eléctrico, zonas templadas y viviendas pequeñas para los servicios de calefacción y ACS.
- Bomba de calor centralizadas para servicios de ACS y calefacción.
- Bombas de calor independientes para los servicios de ACS y calefacción ya sean centralizados como individuales.
- Equipos de bombas de calor aire-aire de expansión directa con producción de ACS en zonas de menos carga de calefacción en invierno.
De todas estas opciones la Guía de Sistemas de Acumulación de Fegeca ofrece esquemas hidráulicos de principio para su consulta que ayudará en todos los casos en el diseño y adaptación a las necesidades de los usuarios y características climáticas de la zona para poder cumplir con los requisitos del CTE y mantener el confort de dichos usuarios de la forma más eficiente posible.
Soluciones de sistemas de acumulación en rehabilitación de instalaciones
En el caso de edificios existentes que queramos rehabilitar y adaptar a los nuevos sistemas de alta eficiencia y de producción renovable, es evidente que en este caso nos encontramos con una posible limitación en cuanto al espacio disponible para la instalación de los nuevos equipos.
La tendencia hacia la electrificación con el uso de sistemas bomba de calor de tipo aerotérmico es clara también en el ámbito de la rehabilitación de edificios. Los edificios existentes también han de descarbonizarse antes del 2050 para el cumplimiento de los hitos que aparecen en la Directiva de Eficiencia Energética en los Edificios (EPBD), con lo que de forma progresiva habrá que ir planteando sistemas de origen renovable para satisfacer las demandas de confort. Hasta ver cómo se integra en la legislación el uso y justificación de gases renovables (como el biometano o el hidrogeno verde), el uso de sistemas de producción eléctrico es más claro en el corto plazo.
En el caso de instalaciones de agua caliente sanitaria, más allá de la viabilidad en cuanto a espacios requeridos para la instalación de la unidad exterior de la bomba de calor (sea un equipo de tipo compacto o partido) y de si el edificio dispone de una instalación eléctrica adecuada para absorber el aumento de potencia requerido por la electrificación de una demanda térmica, existe la necesidad de encontrar una ubicación para los sistemas de acumulación requeridos.
En el caso de instalaciones de tipo residencial unifamiliar, el cambio de caldera por una bomba de calor requerirá de la instalación de un depósito de acumulación (ya que la bomba de calor no puede producir agua caliente de forma instantánea). Esto, dependiendo del tipo de vivienda considerado, puede resultar un punto limitante.

Si hablamos de instalaciones colectivas o terciarias, el paso de un sistema de generación mediante caldera a bomba de calor puede suponer la necesidad de hasta tres veces más acumulación en comparación con el sistema de origen. A modo de ejemplo, en una instalación hotelera o una centralización de viviendas resuelta con calderas, es suficiente con almacenar del orden de un 25% del consumo total de ACS del edificio, ya que la caldera permite tiempos de recuperación y puesta a régimen rápidos.
Si la instalación produce ACS con sistemas de bomba de calor, al menos habrá que almacenar la cantidad de agua consumida en el período punta (mínimo un 50% del total diario) y si existen puntas próximas en el tiempo es probable que esa cantidad ascienda hasta un 75-80% del consumo total diario. Evidentemente, en la rehabilitación de instalaciones y dependiendo del tamaño y accesos de la sala de calderas, no siempre será posible aumentar la cantidad de depósitos de almacenamiento de agua caliente a la nueva necesidad.
Los sistemas híbridos, sobre todo en el caso de edificios de viviendas colectivas o de uso terciario, pueden facilitar el planteamiento de tecnologías renovables mediante aerotermia. Más allá de reducir la potencia eléctrica requerida en bomba de calor (parte de la demanda será cubierta por los equipos de combustión), también permitirán reducir la cantidad de agua almacenada, al poder apoyarse en la más rápida producción de ACS que permite la caldera.
Con este planteamiento también podremos asegurar las temperaturas de almacenamiento requeridas en la reglamentación de prevención y control de la legionela según el RD 487/2022 y RD 614/2024 (60 ⁰C en acumuladores con puntual choque térmico a 70 ⁰C), independientemente del tipo de refrigerante que utilice la bomba de calor.
El diseño exitoso de un sistema híbrido para ACS con bomba de calor y caldera requiere de la correcta consideración de un par de variables:
1. Cálculo de la demanda de ACS del edificio.
Antes de plantearnos una solución de este tipo es fundamental analizar las necesidades térmicas reales de nuestro edificio para ACS. Esto es especialmente recomendable, dado que es probable que se requiera de una potencia y acumulación del sistema menor respecto a la de origen (no es extraño, encontrar edificios con estos valores sobredimensionados). De esa manera haremos una propuesta lo más eficiente posible.
2. Correcta selección de los depósitos de ACS y buena regulación y control del sistema.
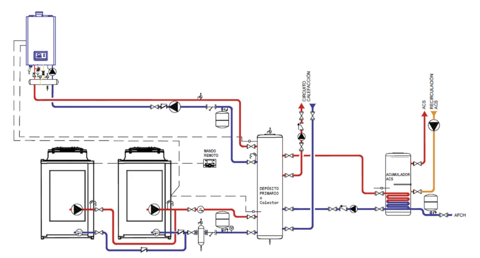
Hoy en día es habitual utilizar interacumuladores con doble serpentín o bivalentes (que permiten el calentamiento mediante dos fuentes de energía diferentes aprovechando el principio de la estratificación por temperatura). Este tipo de depósitos son fundamentales para plantearse una instalación de generación de ACS hibrida, combinando sistemas de aerotermia con energía solar térmica o con caldera de condensación, sistemas de generación apoyados con circuitos de recuperación, etc.
En estos interacumuladores el intercambiador inferior suele utilizarse para la fuente de origen renovable (como puede ser una bomba de calor), que si es suficiente calienta el volumen completo del acumulador. El serpentín superior suele conectarse al generador de combustión, actuando de apoyo si es necesario. Recordemos que desde el 1 de julio de 2021, pueden hibridarse en un mismo deposito, calentamientos a partir de fuentes de energía renovable y no renovable auxiliar (según la modificación del RITE antes comentada y la IT 1.2.4.1.2.4 en su punto 3).

La estratificación es clave en el caso de los sistemas de acumulación multienergía, ya que trabajan con temperaturas de calentamiento variables en función del sistema de generación que se esté utilizando en cada momento.La correcta estratificación permitirá aprovechar adecuadamente la energía aportada por cada sistema de calentamiento, evitando mezclas de temperatura no deseadas en el interior del depósito.
Otro aspecto importante en las instalaciones híbridas es aplicar una correcta regulación y control, para gestionar el sistema de calentamiento más adecuado en cada momento en función de diversas variables (condiciones ambientales, demanda de confort requerida, priorización del sistema renovable, etc.).
Esto suele implicar el tener mayor número de sondas en comparación de sistemas mono generador, además de estrategias de control más complejas que articulen el correcto arranque y paro de los generadores utilizados (en función de condiciones exteriores, costes de energía o condiciones de demanda térmica).
Como conclusión podemos resumir los siguientes puntos en rehabilitación:
- Es imprescindible revisar las demandas y necesidades de ACS.
- El uso de Bomba de calor y de renovables, es una solución preferente hoy en día.
- Si existe gas en el edificio (en rehabilitación generalmente es así), una solución interesante es la hibridación de caldera y bomba de calor.
- En este caso, se necesita menor potencia eléctrica y menor acumulación.
En la Guía de Sistemas de Acumulación de Fegeca se ofrece esquemas hidráulicos de principio, así como un capítulo específico en el que se entra en mayor detalle en los aspectos técnicos de los sistemas híbridos para ACS (solución idónea en el marco de la rehabilitación energética).

Guía de Sistemas de Acumulación de Agua



A medida que se adoptan sistemas de producción de energía térmica para el confort de las personas en los edificios que utilizan de origen energías renovables, sobre todo en el camino de la electrificación hacia las bombas de calor o producción de solar térmica, nos vemos obligados a considerar la posibilidad de acumulación de energía de la forma más eficiente, acumulando la misma en forma de agua caliente