Un sistema de iluminación óptimo debe estar diseñado para facilitar el desarrollo exitoso de una actividad, tanto si se lleva a cabo en un espacio interior (oficinas, escuelas) como en una zona de tránsito (pasillos o carreteras). También puede ser útil para facilitar la visualización o destacar diferentes espacios o elementos, como la fachada de un edificio o las obras de un museo.
El proyecto europeo PremiumLight Pro, financiado a través del programa H2020 de la Comisión Europea, ofrece información actualizada y contrastada sobre tecnología LED, para facilitar su despliegue en los sectores público y privado.
Para realizar un buen estudio de iluminación necesitamos tener claros algunos aspectos: ¿Cuánta luz necesitamos? ¿cómo entregamos la luz correctamente para no contaminar o deslumbrar demasiado? ¿qué tipo de color necesitamos? ¿qué impacto negativo puede tener esa luz en los seres humanos? ¿y en la fauna y flora?
Para resolver todas estas preguntas debemos escoger productos con información técnica muy bien detallada y que cumpla con normas o procedimientos técnicos estándares, sin ofrecer información confusa o valores sobreestimados de forma engañosa para potenciar un único producto.

FOTOMETRÍA: ¿QUÉ INFORMACIÓN NECESITAMOS SABER?
Los procedimientos para la medición de fotometría para la tecnología LED se pueden encontrar en la norma americana IES lm79-08 y la europea EN13032-4. Ambas indican los instrumentos, procedimientos de medición y condiciones del laboratorio para poder realizar las medidas de forma correcta.
+++ Datos a entregar en las fotometrías +++
Flujo luminoso (lm) del conjunto de la lámpara o luminaria. Para luminarias y lámparas con fuentes de luz LED no reemplazables sólo hay que medir y entregar el flujo total del conjunto y no el del chip LED. No es correcto entregar el flujo luminoso como la suma de los flujos de los chips LED. Consecuentemente, el rendimiento o LOR (Relación entre el flujo luminoso de lámpara y luminaria) es 100% y no es significativo indicarlo.
Para luminarias con lámparas LED remplazables, por ejemplo, con lámparas con casquillo E-27 sí se puede utilizar el parametro LOR.
Eficacia luminosa (lm/W). Cociente obtenido entre el flujo luminoso total medido en el ensayo de fotometría de la luminaria o lámpara entre la energía consumida del conjunto completo, incluyendo el controlador o driver.

Al considerar todo el conjunto como un todo y no una suma de partes, nunca se puede considerar la eficacia con el flujo de la suma de los chips LED ni sin el consumo sin el equipo auxiliar. El parámetro siempre ha de entregarse como un producto final.
Matriz de intensidades (cd). Se basa en el conjunto de valores de intensidad luminosa en candelas recogidas de las medidas en el ensayo de fotometría mediante goniofotómetro. Para las medidas en tecnología LED se utiliza un sistema de coordenadas C-γ en valores absolutos (cd) en vez de relativo (cd/Klm), ampliamente utilizado en ensayos de luminarias con lámparas.
La consistencia de los datos de distribución fotométrica depende en gran medida del número de planos C y ángulos Gamma (γ).
Para luminarias en iluminación general y alumbrado público se recomiendan los siguientes pasos angulares: ∆C = 15°, ∆γ = 5°.
Para la correcta medición del parámetro ULOR o FHS (Flujo hemisferio superior), necesario para el análisis de la contaminación lumínica de una luminaria de exterior, es necesario medir siempre todos los ángulos gamma (γ) entre 0° y 180°, a pesar de que a simple vista no se esté emitiendo ningún flujo luminoso hacia arriba. No medir correctamente esta zona en un ensayo de fotometría puede acarrear realizar un proyecto de iluminación erróneo, con efectos desastrosos de contaminación luminosa.
La iluminación artificial no debe privarnos de la contemplación del cielo nocturno, considerado como un patrimonio natural.
Distribución polar de intensidades luminosas. La curva polar es una de las graficas más utilizada para las fotometrías de iluminación genérica y vial. Es la representación de dos secciones del sólido fotométrico. Con ella podemos deducir rápidamente hacia dónde enviar la intensidad luminosa y con qué intensidad. En proyectos muy técnicos, donde la uniformidad es muy importante, es primordial conocer dónde enviamos la luz.
En la siguiente imagen, la curva roja representa el eje 0º-180º y es el eje perpendicular al eje principal de la fuente de la fuente de luz de la luminaria.

La curva azul representa el eje 90º-270º y es el eje paralelo al eje principal de la fuente de luz. La intersección de ambos ejes es el centro fotométrico de la luminaria.
+++ ¿Lumen o lux? +++
Al realizar un proyecto de iluminación, por ejemplo según la norma UNE EN 12464/1:2012, el parámetro más importante es la iluminancia (lux). A pesar de ello, en las fichas técnicas no se suelen indicar estos valores. La diferencia entre el flujo luminoso y la iluminancia consiste en que el primero (lumen) es un parámetro de cantidad que no varía según la altura del montaje; mientras que la iluminancia es la cantidad de luz percibida en una situación y espacio concretos. La iluminancia puede ser el valor de lux en una mesa de trabajo, una calle, una fachada, pero siempre en una situación concreta. Dependiendo de donde se instale una luminaria (a diferentes alturas o inclinaciones) los valores de iluminancia cambiarán y, por lo tanto, si además de los lúmenes (que figuran en la etiqueta técnica) damos parámetros en luxes tendremos que especificar siempre el caso concreto.
+++ Parámetros de color +++
Los principales datos de color que hay que entregar en un producto de iluminación son los siguientes:
• Distribución de potencia espectral (SPD)
• Temperatura de color correlacionada (CCT)
• Índice de reproducción cromática (Ra)
La distribución de potencia espectral se define como la concentración, en función de la longitud de onda, de cualquier cantidad radiométrica o fotométrica (por ejemplo, energía radiante, flujo radiante, intensidad radiante, radiancia, irradiancia, etc). Es útil para ver los tipos de longitudes que tenemos y analizar, por ejemplo, los efectos perjudiciales de la luz azul en el ser humano.

Temperatura de color correlacionada (CCT). Se define a partir de la comparación de su color, en el rango de 380nm-780nm, con el de la luz que emitiría un cuerpo negro calentado a una temperatura determinada. Por este motivo, la CCT se expresa en grados Kelvin [°K], a pesar de no reflejar expresamente una medida de temperatura. La CCT es una forma simplificada de clasificar una fuente de luz blanca por su tono.
Por convenio se identifican las CCT cálidas, por debajo de los 3500°K (apariencia amarillenta) y frías, o aquellas que presentan una CCT por encima de los 4500 °K (apariencia blanco azulado).
Índice de reproducción cromática (Ra). Para cuantificar la calidad de la luz, la CIE definió en la CIE 13.3:1995 el Ra. Este se calcula como la media de 8 mediciones de la muestra comparadas con 8 valores referencias de diferentes colores normalizados. Ra es una medida de la fidelidad de los colores que se verán al iluminar con la fuente de luz bajo prueba. Cuanto más cercana esté a 100, más fielmente reproducirá los colores reales.
+++ Métodos de medida del color +++
En la norma para tecnología de estado sólido SSL o LED UNE EN 13032-4 y CIE S 025 se indican 3 formas distintas de medir los parámetros colorimétricos, todas con posibles resultados diferentes pero válidos.
• A lo largo de una dirección específica, se puede elegir medir el color en una dirección concreta por ejemplo con un medidor portátil.
• Como una distribución direccional y promediada espacialmente ponderada a la irradiancia utilizando un gonio-espectroradiómetro.
• Como valores promediados espacialmente medidos con una esfera integradora.

Geometría para la medida de cromaticidad utilizando un goniómetro (la imagen muestra el caso de un producto SSL que emite luz sólo en direcciones descendentes)
DRIVERS: ASPECTOS RELEVANTES
Al igual que las lámparas de descarga, las lámparas LED necesitan un elemento que controle el paso de la corriente. Este elemento se llama controlador (driver, en inglés). Pero ¿qué es exactamente? Se trata de un dispositivo eléctrico que regula la alimentación de un LED (o de una cadena LED), con el objetivo de evitar los daños en el sistema producidos por el cambio de temperatura derivado del voltaje directo de alta potencia.
A medida que aumenta la temperatura, el voltaje directo del LED disminuye y debe consumir más corriente, con lo cual continúa calentándose y consumiendo más corriente hasta que se autocalibra. El controlador LED es una fuente de alimentación autónoma que compensa los cambios en el voltaje directo y proporciona una corriente constante al LED.
+++ Corriente de arranque +++
Uno de los aspectos más importantes a tener en cuenta a la hora de comprar iluminaria LED es la corriente de arranque o “inrush current”, que puede dar muchos problemas en las nuevas instalaciones LED, haciendo saltar las protecciones magnetotérmicas durante el arranque de la luminaria.
Esto ocurre porque la impedancia de entrada de un sistema de alimentación electrónico es prácticamente nula o muy pequeña, lo cual provoca una corriente inicial muy alta antes de llegar a un estado estacionario o de funcionamiento normal. Que las protecciones magnetotérmicas (los plomos, en las instalaciones antiguas) salten o no, depende del valor de tensión instantánea en el momento del arranque del sistema de iluminación, y este valor no es controlable por el usuario.
Por ello hay que considerar el valor de corriente de arranque de la lámpara que se instalará y que normalmente suele aparecer en las hojas de características técnicas de los controladores o balastros electrónicos. En caso de no obtener este dato en la ficha técnica de la lámpara, se deberá solicitar la ficha técnica del controlador (ver figura 1).

Información en la ficha técnica del controlador.
Gracias a la información proporcionada por el fabricante sabemos que se pueden llegar a conectar hasta 2 controladores, con un elemento de protección (magnetotérmico con una curva B) o bien, si cambiamos la curva de disparo a una curva más lenta (por ejemplo una curva de tipo C), podemos llegar a conectar hasta 4 controladores.
Si no tenemos a disposición la ficha del controlador, para poder considerar la corriente de arranque también puede ser de utilidad pedir una tabla con la relación de puntos de luz instalables por tipo de magnetotérmico.

Relación de puntos de luz instalables por tipo de magnetotérmico.
Valores a considerar
Valores a considerar
Como hemos comentado, lo que nos interesa saber es la intensidad y duración del arranque, así como la tensión. Hay tres valores a considerar:
• Intensidad de arranque (inrush current). Intensidad en amperios del pico de arranque del controlador.
• Duración del pico (duration of inrush). Tiempo en el que la intensidad supera el 50% de la intensidad de arranque.
• Tensión (nominal current). Tensión de funcionamiento del controlador durante el arranque.
+++ Limitadores de corriente de arranque +++
Una posible solución para reducir los picos de corriente de arranque consiste en cambiar la curva de disparo mediante la colocación de elementos de protección más lentos. Sin embargo, esta medida no sería eficiente en el caso de necesitar una intervención rápida, pues va asociada a efectos colaterales como accidentes eléctricos de alto riesgo.
Una mejor alternativa es utilizar los limitadores de corriente de arranque (ICL, del inglés Inrush Current Limiter), que protegen las sobre-corrientes en el momento del arranque o encendido (inrush current).
ICL pasivos
La gran mayoría de los ICL comerciales son de tipo pasivo. La estrategia de uso consiste en colocar una resistencia de valor conocido en serie con el controlador o conjunto de controladores para poder limitar, mediante este resistor, el valor de la corriente de entrada, que tiende a valores infinitos o muy elevados. Como este fenómeno sólo se produce en el instante inicial -en la conexión-, esta resistencia resulta molesta desde el punto de eficiencia, ya que representa unas pérdidas de energía en el estado estacionario o funcionamiento permanente.

Esquema de un Inrush Current Limiter
Como se observa en la figura anterior, la tensión de entrada (AC Input), dispone de una resistencia en serie con la línea de alimentación L, mientras que el N no dispone e ningún elemento que limite la corriente. De esta forma, con este resistor podemos controlar el valor de la corriente de arranque, considerando por ejemplo el valor normalizado de la tensión de suministro de 230 Vac (RMS). Si el resistor es de 10 ohms, podremos considerar que el valor del “pico” de corriente de arranque es de 23 Arms, en lugar de valores estándar de casi 100 A, como presentan algunos controladores comerciales.
En otras palabras, podemos decir que la corriente de arranque o de pico se ve atenuada en un factor de 10 veces el valor nominal del controlador o conjunto de controladores conectados al otro extremo (AC Output) en la salida del ICL. Este resistor, en el estado de funcionamiento normal, representa unas pérdidas inadmisibles si el conjunto de controladores conectados a la salida del ICL es elevado.
El ICL incorpora un sistema de alimentación que gestiona un temporizador, en el cual podemos ajustar la conexión como la desconexión de un relé interno en el ICL.
Si volvemos a revisar el esquema interno de este ICL, cuando el temporizador alcanza el valor del tiempo prefijado en la conexión, se activa el relé interno, provocando que la resistencia quede en cortocircuito. De esta forma, podemos hacer que toda la corriente pase por el contacto normalmente abierto del relé, haciendo que por la resistencia no pase corriente. Así, el sistema es completamente eficiente, a excepción del pequeño consumo residual propio del ICL.

Conexión de diferentes controladores y correspondiente gráfica de funcionamiento.
En la figura anterior, en la parte del esquema, podemos ver una conexión típica estándar de varios controladores sin ningún tipo de ICL. A ello corresponde la gráfica de la derecha (parte superior), donde se pueden alcanzar valores de pico de hasta 10 kA, o 7 kA rms que, en la mayoría de casos, activarán y dispararán las protecciones instaladas (nuestro magneto-térmico). En el esquema donde se aprecia el ICL, podemos ver que los valores de corriente de pico son 24,8 A rms, lo cual nos aporta información del valor del resistor interno. Lo más remarcable es que la reducción del valor de A rms respecto a una instalación habitual.
ICL activos
Existen también ICL activos, en los cuales el relé es reemplazado por elementos semiconductores de potencia, para reducir el tamaño y también para disponer de más ciclos de operación, ya que en un ICL pasivo el relé es electromecánico y, por tanto, tiene una vida limitada y sus contactos permiten un número limitado de maniobras antes de degradarse.
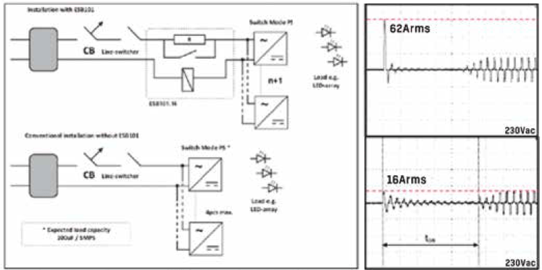
Como conclusión, cabe destacar que el problema de los picos de corriente de arranque es muy común en la gran mayoría de controladores comerciales. Podemos utilizar un ICL para limitarlo. Algunos fabricantes ya están incorporando mecanismos activos o pasivos en el interior para limitar el pico de corriente de arranque.
Al adquirir un controlador comercial de potencia baja (alrededor de 25W, por ejemplo) con un valor de pico de corriente de arranque de 70 A, podemos considerar agregar mecanismos externos para evitar problemas con las protecciones. Sin embargo, a otros precios es posible adquirir el mismo producto con niveles de corriente de arranque de 20 a 30 A.
A tener en cuenta
No es recomendable cambiar la curva de actuación de la protección magnetotérmica para intentar solucionar los problemas de corriente de arranque, ya que esta acción puede enmascarar otros fallos en la instalación a largo o medio plazo, como el calentamiento o degradación del cableado. No visualizar a tiempo estos inconvenientes puede impedir que se actúe oportunamente y que las protecciones reciban atención cuando realmente la necesitan.




Consejos de iluminación LED del proyecto PremiumLight Pro. La aportaciones de este articulo aparecen con más detalle en las guías sobre iluminación LED disponibles en: www.premiumlightpro.es